Automated Fault Analysis Software


Automated Fault Analysis Software

Software de análisis automatizado de fallos (AFAS) ETAP

Software de análisis de fallas automatizado

Descripción general

ETAP AFAS revoluciona el análisis de fallas eléctricas con su poderoso enfoque basado en modelos, aprovechando la tecnología Digital Twin de ETAP. Diseñado para análisis en tiempo real y posterior al evento.

AFAS_CalculationResults

Características principales de AFAS

AFAS optimiza la eficiencia operativa ofreciendo: 

  • Análisis automatizado de archivos COMTRADE
    • Agrupa sin esfuerzo eventos relacionados utilizando una alineación temporal precisa. AFAS archiva automáticamente los incidentes a medida que recibe archivos COMTRADE, lo que garantiza una gestión eficiente de los incidentes. 
  • Detección y análisis avanzados de fallas
    • Identifica tipos de fallas, ubicación y gravedad con múltiples algoritmos de extremo simple y doble. AFAS ofrece información sobre magnitudes de fallas, impedancias y secuencia de operaciones. 
  • Análisis y restauración de fallas integrados
    • Funciona en conjunto con el módulo ETAP FLISR para proporcionar detección de fallas, análisis y estrategias de restauración simultáneas para sistemas con componentes de transmisión y distribución. 
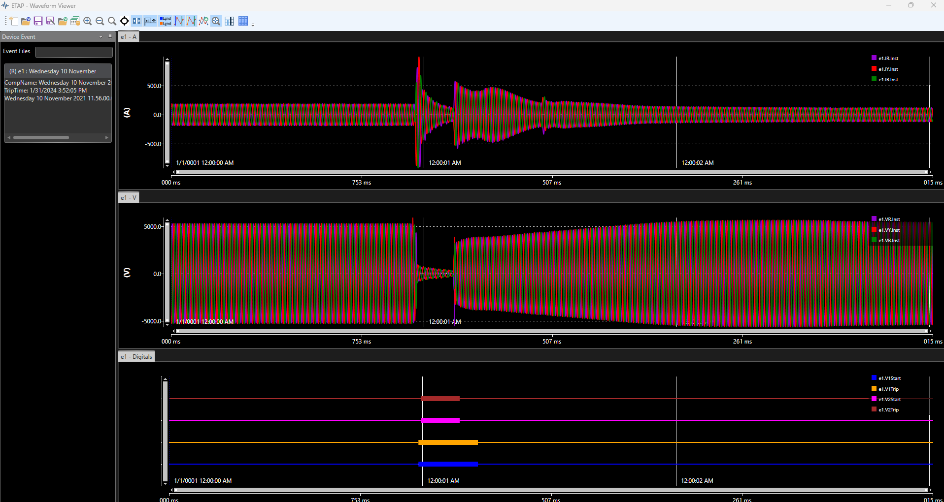
  • Visor de formas de onda con gráficos de alta gama
    • Visualiza los datos del sistema a través de una interfaz intuitiva, admitiendo el análisis simultáneo de archivos COMTRADE. Los usuarios pueden explorar fasores, RMS y valores armónicos, junto con definiciones de señales personalizadas. 
  • Configuración personalizable
    • Proporciona a los usuarios configuraciones de análisis flexibles adaptadas a sus necesidades operativas únicas para personalizar las clasificaciones de estado y perturbación, incluidos flujo de carga, falla, calor, caída de voltaje, reaceleración y más. 
  • Verificación de modelos e inyección de señales
    • Utiliza la estimación de impedancia de línea y la inyección de señal (datos de reproducción) para verificar la precisión del modelo, garantizando que los esquemas de protección funcionen según lo previsto. 
  • Aplicación web para visualización de resultados
    • A los resultados de AFAS se accede a través de la interfaz eWeb, una plataforma segura y fácil de usar para el análisis y visualización de incidentes. Se puede acceder a la eWeb a través de intranet o redes seguras, lo que ofrece flexibilidad y una mayor protección de datos. 
AFAS-Incident Report

Beneficios y capacidades de AFAS

  • Experimente un análisis de fallas sin interrupciones con AFAS
    • Navegue sin esfuerzo a través de las sólidas capacidades de AFAS. Nuestra interfaz fácil de usar garantiza un acceso rápido a datos críticos, ayudándole a tomar decisiones informadas con confianza. Sumérjase en aplicaciones del mundo real con nuestras demostraciones interactivas, que muestran la adaptabilidad de AFAS en diversas industrias. Utilizando los motores de análisis probados, la solución AFAS proporciona identificación de fallas al determinar el tipo de falla, hora de inicio, tiempo de disparo, magnitudes de falla, impedancias de falla y más. Las funciones de inyección de señal permiten a los usuarios reproducir datos grabados en el modelo de relé para validar la respuesta del relé tal como se diseñó frente a tal como se encontró. El gemelo digital eléctrico se utiliza para validar la respuesta del sistema aprovechando la secuencia de eventos operativos para garantizar que se ejecutó el esquema de protección correcto dentro del tiempo de respuesta esperado.
  • Soluciones a medida para cada industria
    • Ya sea que trabaje en servicios públicos, petróleo y gas o cualquier otro sector, AFAS ofrece soluciones personalizadas para satisfacer sus necesidades específicas. Desde el análisis preciso de la gravedad de fallas en sistemas de distribución hasta la lógica de enclavamiento personalizada para aplicaciones de petróleo y gas, nuestra plataforma se adapta a los requisitos de su industria. AFAS también incluye características especializadas para gestionar respuestas a fallas en recursos basados en inversores (IBR), lo que garantiza un rendimiento y una confiabilidad óptimos en aplicaciones de transmisión, distribución e industriales.
  • Integración con FLISR para un análisis y restauración de fallas sin inconvenientes
    • La integración de AFAS con el módulo FLISR de ETAP mejora la eficiencia operativa al permitir el análisis de fallas y la restauración de la red simultáneos. Esta poderosa combinación permite a los operadores aprovechar las capacidades de detección de fallas de AFAS junto con las estrategias de restauración óptimas de FLISR, brindando información integral para sistemas con componentes de transmisión y distribución. Esta doble funcionalidad garantiza la localización precisa de averías, una planificación óptima de la restauración y una interrupción mínima del servicio.
  • Informes completos y análisis visual
    • AFAS proporciona informes detallados y visualizaciones que transforman datos complejos en información práctica. Nuestro visualizador de formas de onda mejorado admite análisis avanzados y ofrece herramientas para la evaluación de RMS, fasoriales y armónicos, lo que garantiza que tenga la claridad necesaria para optimizar el rendimiento del sistema.
AFAS Wave Form

Productos relacionados

Explora complementos y otros productos relacionados.

Ver todos los productos

Soluciones relacionadas

Lea sobre las soluciones donde se destaca este producto.

Ver todas las soluciones

Paquetes relacionados

Encuentre un paquete que incluya este producto como parte de su colección.

Ver todos los paquetes

Industrias relacionadas

Descubra cómo se utiliza este producto en diversas industrias.

Ver todas las industrias

Sistemas relacionados

Conozca los usos de este producto dentro de un sistema de ingeniería.

Ver todos los sistemas

Testimonios

Preguntas frecuentes

    How to maximizing Efficiency in Industrial Operations with ETAP AFAS

    How to maximizing Efficiency in Industrial Operations with ETAP AFAS

    In Industrial applications, time is money. Quickly identifying faults and restoring assets is crucial to minimize downtime and costs. The ETAP AFAS (Advanced Fault Analysis Software) leverages disturbance records and telemetry data to locate faults and provide steps to restore assets while the fault is being addressed, increasing the chances of a quick resolution.

    Furthermore, ETAP AFAS seamlessly integrates several other ETAP software applications such as with the centralized relay management software (eProtect), eSCADA, and Intelligent Load Shedding (iLS) to provide a fully integrated solution for managing your industrial system. With this complete solution, engineers and operators can manage faults efficiently, minimize downtime, and maximize operational efficiency.

    Play 23:25
    Learn about ETAP Automated Fault Analysis Software

    Learn about ETAP Automated Fault Analysis Software

    ETAP Automated Fault Analysis System (AFAS) solution provides Real-Time and advanced analytics of electrical faults for your complex networks. Using the ETAP digital twin combined with disturbance records, engineers and operators have a clear forensic picture of any electrical fault in the network. Using proven ETAP analysis solvers, AFAS identifies faults, including fault type, start time, protection trip time, fault magnitudes, and fault distance/impedances. A novel signal injection features allow users to playback recorded data into the protection model to compare "as designed" vs. "as found" relay response. This comparison using ETAP electrical digital twin is used to validate system response per the configured protection scheme, and the sequence of operation was followed within expected time durations.

    Play 27:31
    Demystifying IBR Fault Response with Parametric Modeling & Analysis

    Demystifying IBR Fault Response with Parametric Modeling & Analysis

    The fault response characteristics of synchronous generators are inherently governed by their physical attributes and construction. In contrast, the fault response traits of Inverter-Based Resources (IBRs) are intricately tied to manufacturer-specific control schemes and settings. This intricacy adds complexity to accurately representing IBR behavior during fault conditions, particularly given the rapid advancements in inverter technology and the diverse control strategies employed by manufacturers.

    Play 51:34

    Formación y eventos

    ETAP Training

    Formación y eventos

    Obtenga una visión en profundidad de nuestro software de ingeniería eléctrica solicitando un curso de formación que se adapte a usted.

    Descúbralo ahora

    Explore ETAP Today

    Explora ETAP hoy

    Pruebe ETAP gratis durante 30 días para experimentar usted mismo las capacidades de las soluciones ETAP. Pruebe la amplia colección de módulos y resultados de análisis de ETAP en esta plataforma de demostración basada en la nube, en cualquier momento y en cualquier lugar.

    ¡Comienza tu demostración en línea hoy mismo!