Défauts d'Ouverture de Phase

Défauts d'Ouverture de Phase

Défauts d'Ouverture de Phase

Défauts en Série Monophasés & Biphasés

Appliquez graphiquement et étudiez l'impact de la condition d'ouverture de phase dans un système de distribution d'énergie électrique déséquilibré. Appliquez un défaut en série monophasé sur un défaut de phase A, B, C ou biphasé sur AB, BC ou CA.

Simulez l'impact des défauts en série avec une solution statique sans les transitoires initiaux. Pour les transformateurs, les effets d'un enroulement intégré, du courant et des pertes à vide, du type de transformateur (noyau et enveloppe) et du couplage mutuel entre les phases A, B et C incluant la séquence homopolaire, sont inclus.

Positionnement Graphique de la Phase Ouverte sur le Schéma Unifilaire

Placez facilement les défauts d'ouverture de phase (phase A, B ou C) à n'importe quelle borne des branchements triphasées incluant les transformateurs à deux et à trois enroulements, les câbles, les lignes de transmission, les impédances et les réacteurs.

Modélisation du Moteur à Induction

La modélisation des moteurs à induction a été améliorée pour gérer les conditions graves de systèmes déséquilibrés causées par un défaut d'ouverture de phase incluant les effets du courant inverse.

ETAP Open Phase Fault Analysis

Modélisation du Transformateur

Type de Construction

La possibilité de modéliser différents types de transformateurs a été ajoutée incluant le Noyau et l'Enveloppe avec 3, 4 et 5 pattes, pour les transformateurs à 2 et à 3 enroulements.

Magnétisation

Sur la base des données à vide, l'impédance de magnétisation pour les couplages de séquence positive, négative et homopolaire est maintenant calculée et prise en compte.

Enroulement Enterré

Les conséquences d'un enroulement intégré (enterreé) pour les transformateurs à deux et trois enroulements sont incluses.

Rapport

Le courant homopolaire circulant à l'intérieur de l'enroulement connecté en delta est indiqué.

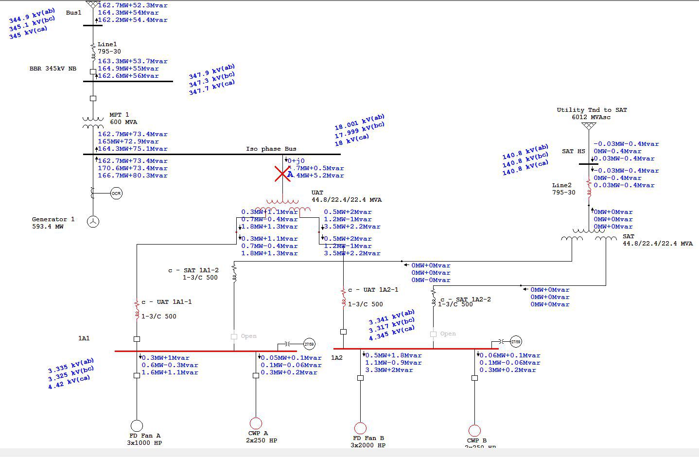
Dans le cadre du développement du module de défaut d'ouverture de phase et du processus de vérification et de validation (V&V), nous avons mené de nombreuses études et créé des bancs d'essais pour simuler les conditions d'ouverture de phase dans divers réseaux incluant le système d'alimentation électrique hors site d'une centrale nucléaire. Des cas de tests V&V ont été créés pour simuler le comportement du réseau électrique avec différents modèles et dans différentes conditions de fonctionnement.

Videos

Literature

White Papers

Formations et événements

ETAP Training

Formations et événements

Obtenez un aperçu approfondi de nos logiciels d'ingénierie électrique en demandant une formation qui vous convient.

Découvrir maintenant

Explore ETAP Today

Découvrez ETAP aujourd'hui

Testez ETAP gratuitement pendant 30 jours pour découvrir par vous-même les capacités des solutions ETAP. Essayez la vaste collection de modules et de résultats d'analyse d'ETAP sur cette plateforme de démonstration basée sur le cloud, à tout moment et en tout lieu.

Commencez votre démo en ligne dès aujourd'hui !